联系我们Contact us

石家庄苏核阀门销售有限公司
联系人:叶经理
电话:0311-83820588
传真:0311-83809756
手机:18912639571
      18962164567
Q Q:83281721
地址:石家庄市桥西区建国路2号

当前位置:首页 >> 图片展示

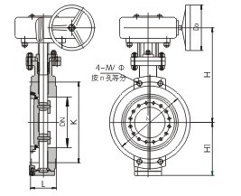
D373H蜗轮硬密封蝶阀
产品编号:0 发布日期:2013/12/18 11:18:53点击:120
产 品 说 明

蜗轮硬密封蝶阀结构特点和用途

本系列蝶阀采用蜗轮传动,操作轻便并具有自锁功能。
    应用先进的三偏心结构设计(径向偏心、轴向偏心和角度偏心),采用先进的工艺方法和专用的工艺装备加工制造,确保了零件精度和装配精度。保证了密封付的全部锥面吻合,完全消除了密封面间的干涉与磨损。因此,开关阻力小、密封可靠、密封面磨损小,整机工作寿命长。
    本产品广泛应用于冶金、石化、化工、炼油、给排水工程等行业中。

蜗轮硬密封蝶阀主要零材料

零件名称

零件材料

阀体 支架 底盖

WCB

蝶板及压盘

WCB

密封圈

1Cr18Ni9/石棉橡胶板

阀杆

2Cr13

固定销

2Cr13

衬套

1Cr18Ni9Ti

垫片

柔性石墨

填料

柔性石墨

螺柱 螺栓 螺钉

35

 
上一个产品:D341W通风蝶阀