|
D71F中线对夹式软密封蝶阀
D71F-(6、10、16) D(3、6、9)71F-(6、10、16) 手动、蜗轮、气动、电动传动
产品特点:
1、小型轻便、容易维修;
2、结构简单、开启迅速;
3、寿命长,启闭次数多;
4、双向密封试验泄漏为零;
5、流量特性趋于直线调节性能好;
采用标准:
|
制造标准
|
GB12238-89
|
法兰标准
|
GB/T17241
GB9113
|
|
结构长度标准
|
GB12221-89
|
检验标准
|
GB/T13927-92
|
主要性能规范:
|
型号
|
公称压力
PN(MPa)
|
壳体试验压力
PS(MPa)
|
密封试验压力
PS(MPa)
|
工作温度
(℃)
|
适用介质
|
|
|
0.6
1.0
1.6
|
0.9
1.5
2.4
|
0.66
1.1
1.76
|
≤80℃
|
水、油品
|
主要零件材料:
|
零件名称
|
阀体、蝶板
|
阀杆
|
密封圈
|
填料
|
|
材料
|
灰铸铁
球墨铸铁
铸钢
不锈钢
|
中碳钢
不锈钢(2Cr13)
1Cr18Ni9Ti
|
丁睛橡胶
乙丙橡胶
聚四氟乙烯
氟橡胶
|
柔性石墨
|
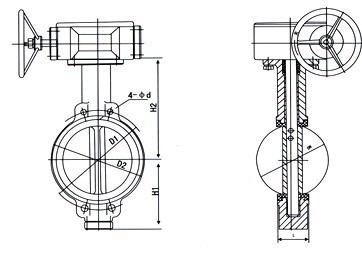
主要连接尺寸
|
公称
通径
(DN)
|
主要尺寸
|
法兰尺寸和螺栓规格
|
|
0.6MPa
|
1.0MPa
|
1.6MPa
|
|
L
|
H1
|
H2
|
D1
|
n-φM
|
D1
|
n-φM
|
D1
|
n-φM
|
|
50
|
43
|
80
|
160
|
110
|
4-φ14
|
120
|
4-φ18
|
125
|
4-φ18
|
|
65
|
46
|
88
|
175
|
130
|
4-φ14
|
136
|
4-φ18
|
145
|
4-φ18
|
|
80
|
46
|
96,
|
180
|
150
|
4-φ118
|
160
|
4-φ18
|
160
|
4-φ18
|
|
100
|
52
|
114
|
200
|
170
|
4-φ18
|
185
|
4-φ18
|
180
|
4-φ18
|
|
125
|
56
|
128
|
213
|
200
|
4-φ18
|
215
|
4-φ18
|
210
|
4-φ18
|
|
150
|
56
|
140
|
225
|
225
|
4-φ18
|
238
|
4-φ22
|
240
|
4-φ22
|
|
200
|
60
|
175
|
260
|
280
|
4-φ18
|
295
|
4-φ22
|
295
|
4-φ22
|
|
250
|
68
|
202
|
290
|
335
|
4-φ18
|
357
|
4-φ22
|
355
|
4-φ26
|
|
300
|
78
|
242
|
330
|
395
|
4-φ22
|
407
|
4-φ22
|
410
|
4-φ26
|
|
350
|
78
|
266
|
360
|
445
|
4-φ22
|
467
|
4-φ22
|
470
|
4-φ30
|
|
400
|
102
|
298
|
390
|
495
|
4-φ22
|
515
|
4-φ26
|
525
|
4-φ33
|
|
450
|
114
|
315
|
410
|
550
|
4-φ22
|
565
|
4-φ26
|
585
|
4-φ36
|
|
500
|
127
|
348
|
430
|
600
|
4-φ22
|
620
|
4-M24
|
650
|
4-M30
|
|
600
|
154
|
400
|
490
|
705
|
4-φ26
|
725
|
4-M27
|
770
|
4-M33
|
|
700
|
165
|
520
|
550
|
810
|
4-φ26
|
840
|
4-M27
|
840
|
4-M33
|
|
800
|
190
|
591
|
610
|
920
|
4-φ30
|
950
|
4-M30
|
950
|
4-M36
|
|
900
|
216
|
660
|
680
|
1020
|
4-M27
|
1050
|
4-M30
|
1050
|
4-M36
|
|
1000
|
254
|
670
|
835
|
1120
|
4-M27
|
1160
|
4-M33
|
1170
|
4-M39
|
|
1200
|
|
780
|
|
1340
|
4-M30
|
1380
|
4-M36
|
1390
|
4-M45
|
|
1400
|
|
|
|
1560
|
4-M33
|
1590
|
4-M39
|
1590
|
4-M45
|
|
1600
|
|
|
|
1760
|
4-M33
|
1820
|
4-M45
|
1820
|
4-M52
|
注:可根据ANSI、JIS、DIN标准及非标尺寸生产
|